GR602 圓(yuán)柱(zhù)式測力傳感器
谘詢電話:
021-6995 0822
谘詢電話:
021-6995 0822
產品介紹
產品特征:
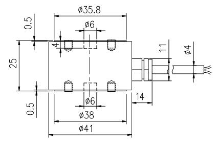
外徑41,高度25,精度0.1%
高速動態響應
平(píng)麵安裝,平麵受力,支持滿量程5倍過載
主要用於安裝空間小(xiǎo)的力值檢測領域,如(rú)壓裝力檢測、平麵力值檢測等
量(liàng)程及尺寸圖:

|
技術參數 |
|||
|
量程(chéng) Capacity |
5,10,20,50,100,200,500, 1000,2000KG |
材質 Material |
不鏽鋼 |
|
輸(shū)出靈(líng)敏度(dù) Rated output |
2.0±10% mV/V |
輸出電阻 Output Impedance |
350±3Ω |
|
非線性 Non-linearity |
0.1 % F.S. |
絕緣電阻 Insulation |
>5000MΩ/10VDC |
|
滯後 Hysteresis |
0.1 % F.S. |
使用電壓(yā) Recommended Excitation |
5~10V |
|
重複(fù)性 Repeatability |
0.1 % F.S. |
最大工作電壓 Excitation max |
12V |
|
蠕變(30分鍾) Creep(30min) |
0.1 % F.S. |
溫(wēn)度補償範圍 Compensated Temp Range |
-10~60℃ |
|
溫度靈敏度漂移(yí) Temp Effect On Output |
0.05 % F.S./ 10℃ |
工作溫度範圍 Operating Temp Range |
-20~80℃ |
|
零點溫度漂移(yí) Temp Effect On Zero |
0.05 % F.S./ 10℃ |
安全負載 Safe Load |
500% |
|
防護等級 Protection Class |
IP 66 |
極限負載 Ultimate Load Limit |
1000% |
|
輸入(rù)阻抗 Input Impedance |
350±5Ω |
電(diàn)纜長度 Cable Length |
∅3 x 4000mm |
|
電纜(lǎn)線連接(jiē)方式 Wire Connection |
Ex +: 紅 (Red) ; Ex -: 黑 (Black) ; Sig +: 綠 (Green ); Sig -: 白 (White); |
||
版權所有©上(shàng)海廣(guǎng)瑞傳感儀(yí)器有限公司 滬ICP備18024135號-1
請輸入搜索關鍵(jiàn)字
確定