產品中心

您當前的(de)位置:首頁 > 產品中心 > 測力傳感器 > 微型壓向測力傳感器 > GR703 微型(xíng)壓向測力傳...

GR703 微型(xíng)壓向測力傳感(gǎn)器

型號(hào):GR703
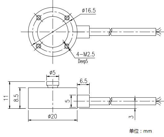
特點及(jí)用途:外徑20,高度11,精度0.5%;堅固耐用、高速動態響應;底麵安裝,頂部凸起點為受力點。主要用於按鍵(jiàn)檢(jiǎn)測,屏幕壓力設備測力校準等(děng)。

谘詢電(diàn)話:

021-6995 0822

產品介(jiè)紹

產品特征:

    外(wài)徑20,高度11,精度0.5%

    堅固耐用、高速動態響(xiǎng)應

    底麵安裝,頂部凸起點為受(shòu)力(lì)點

    主要用於按鍵檢測,屏幕壓(yā)力設備(bèi)測力校準等。


量(liàng)程及(jí)尺(chǐ)寸圖:

GR703尺寸圖
                                   量程: 5、10、20、50、100、200、500、1000、1500、2000KG                                                       

  技術參數

量程

Capacity

5,10,20,50,100,200,500,

1000,1500,2000KG

材質

Material

不鏽(xiù)鋼

輸出靈敏(mǐn)度

Rated output

1.5±10%  mV/V

輸(shū)出電阻

Output Impedance

350±3Ω

非線性

Non-linearity

0.5 % F.S.

絕緣電阻

 Insulation

>5000MΩ/10VDC

滯後

Hysteresis

 0.2 % F.S.

使用電壓 

Recommended Excitation

5~10V

重複性

Repeatability

 0.2 % F.S.

最大工作電壓(yā) 

Excitation max

12V

蠕變(30分鍾)

Creep(30min)

0.1 % F.S.

溫度補償範圍

Compensated Temp Range

-10~60

溫(wēn)度(dù)靈敏度漂移(yí)

Temp Effect On Output

0.05 % F.S./ 10

工作(zuò)溫度範圍

Operating Temp Range

-20~80

零點溫度漂移

Temp Effect On Zero

0.05 % F.S./ 10

安全負載

Safe Load

120%

防護等級

Protection Class

IP 65

極限負載

 Ultimate Load Limit

150%

輸入阻抗(kàng)

Input Impedance

350±5Ω

電纜長度

Cable Length

3 x 4000m

電纜線連接方式

Wire Connection

Ex +: (Red) ;   Ex -: (Black) ;  Sig +: (Green );  Sig -: (White);      
























請輸入搜索關(guān)鍵字(zì)

確定(dìng)
91福利导航_91精品福利_爱福利视频网_成人福利网站