產品中心

您當前的位置:首頁 > 產品(pǐn)中心 > 測力傳感器 > 微型拉壓測力傳感器 > GR804 微型(xíng)拉壓測力傳...

GR804 微型拉壓測力傳感器

型號:GR804
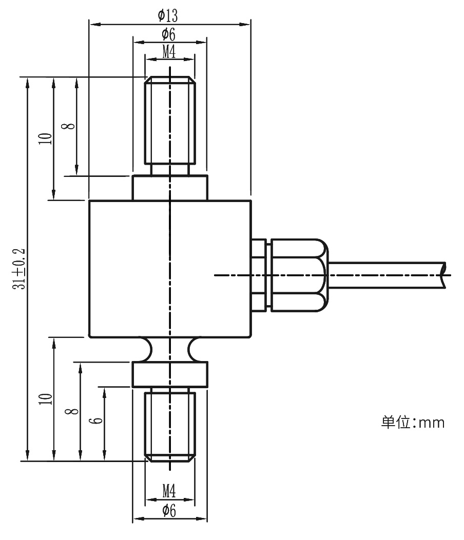
特點及(jí)用途:外徑13,總高度31,兩端螺紋(wén)安裝受力,側麵出線。可測量管道內的力值變化,主要應用於試驗機、插拔力測試儀、鉚釘機等非標自動化設備等精密工業(yè)測(cè)量係統。

谘詢電話:

021-6995 0822

產品介紹

產品特征:

    外徑13,總高度31, 測量精度0.5%

    拉壓兩(liǎng)用型(xíng)力傳感器,兩端為外螺紋,側(cè)麵出線

    可測量管道內的力(lì)值(zhí)變化(huà)

    主要應用於試驗機、插拔力測試儀、鉚釘機等非標自動化設備等精密工業測量係統


量程及尺寸圖:

gr804尺寸圖
          量(liàng)程:  20,50,100,200,500,1000N                                                        

  技術參數

量程(chéng)

Capacity

20,50,100,200,500,1000N

材質

Material

不鏽鋼

輸出靈(líng)敏(mǐn)度

Rated output

1.0 ±20%  mV/V

輸出電阻

Output Impedance

350±3Ω

非線性

Non-linearity

 0.5 % F.S.

絕緣(yuán)電阻

 Insulation

>5000MΩ/10VDC

滯後

Hysteresis

 0.5 % F.S.

使用電壓 

Recommended Excitation

5~10V

重複性

Repeatability

 0.5 % F.S.

最大工作電壓 

Excitation max

15V

蠕變(30分鍾)

Creep(30min)

0.2 % F.S.

溫度補償範圍

Compensated Temp Range

-10~60

溫(wēn)度靈敏度漂移

Temp Effect On Output

0.05 % F.S./ 10

工作溫度範圍

Operating Temp Range

-20~80

零(líng)點溫度漂移

Temp Effect On Zero

0.05 % F.S./ 10

安全負載

Safe Load

120%

防護等級

Protection Class

IP 67

極限負載

 Ultimate Load Limit

150%

輸入阻抗

Input Impedance

350±5Ω

電纜長度

Cable Length

2 x 4m

電纜線連接方(fāng)式

Wire Connection

Ex +: (Red) ;   Ex -: (Black) ;  Sig +: (Green );  Sig -: (White);      
























請輸入搜索關鍵(jiàn)字

確定
91福利导航_91精品福利_爱福利视频网_成人福利网站